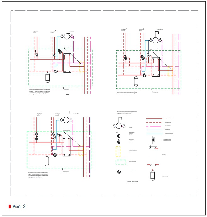
Однако данным системам свойственны некоторые недостатки, которые сдерживают проектировщиков от их повсеместного применения. К их числу следует отнести (в особенности, к наиболее прогрессивным закрытым системам) наличие значительного количества достаточно габаритных смесительных насосов и расширительных баков. Правда, частично эти недостатки могут быть устранены, например, использованием подпитки вторичного контура водой из первичного контура, совмещением функций теплообменников двух блоков в теплообменнике одного блока (отопление и вентиляция и т.п.). Но в том виде, в которых они представлены в указанных работах, усложняется процесс регулирования параметров теплоносителя во вторичных контурах. Системы, указанные выше, позволяют использовать трубопроводы из различных материалов, в частности, металлические. Последнее время в отопительно-вентиляционной технике все чаще стали применять различного рода пластиковые и металлопластиковые трубы. Особенностью этих труб является их коррозиестойкость, удобство монтажа, повышенный срок службы и т.п.Рассмотрим некоторые технические решения, позволяющие упростить «Системы 3Т», сократить габаритные размеры термотрансформаторов, уменьшить монтажную трудоемкость, упростить обслуживание и т.п. К их числу можно отнести следующие мероприятия: 1. При независимой системе теплоснабжения потребителей теплоты во вторичном контуре регулирование параметров теплоносителя, подаваемого к каждому потребителю, использовать трехтрубную систему разводки с одним общим циркуляционным насосом и, соответственно, одним расширительным баком, причем от последнего можно отказаться, используя систему подпитки из первичного контура теплоснабжения. Центробежный насос устанавливается на обратном трубопроводе между насосом и теплообменником, предусматривается присоединение третьего трубопровода, предназначенного для подачи обратного теплоносителя к трехходовым смесительным клапанам, регулирующим температуру теплоносителя в подающей линии регулируемого циркуляционного кольца. В результате такого выполнения обеспечивается возможность рециркуляции обратного теплоносителя в нескольких самостоятельных циркуляционных кольцах, поддерживая независимые температуры в подающих линиях. Качественное регулирование параметров теплоносителя, в отличие от количественного, во всех случаях позволяет избежать возможного перерасхода теплоты и при одновременном качественном регулировании параметров среды у потребителя. Горячее водоснабжение осуществляется через самостоятельный теплообменник. Эти мероприятия позволяют упростить конструкцию термотрансформаторов и уменьшить его габариты. 2. При зависимой системе теплоснабжения вторичного контура следует применять трехтрубную безнасосную систему смешения [3], обеспечивающую у каждого потребителя независимое качественное регулирование параметров теплоносителя. Это повышает качество поддержания параметров, стабильность гидравлического режима работы местных систем [6].Указанный эффект достигается тем, что на обратном стояке перед местом присоединения обратного трубопровода термотрансформатора устанавливается дросселирующее приспособление (регулятор перепада давления), рассчитанное на наибольшую величину гидравлического сопротивления обслуживаемых циркуляционных колец. Третий трубопровод подсоединяется к стояку перед дросселирующим приспособлением, по ходу теплоносителя в стояке, и подключается к трехходовым смесительным клапанам каждого циркуляционного контура, требующего индивидуального температурного режима. Для нормального функционирования необходимо на подающем трубопроводе термотрансформатора предусмотреть установку регулятора давления, поддерживающего давление равное давлению в третьем трубопроводе. Описанное техническое решение [6] безнасосного смешивания двух теплоносителей с различными температурами позволяет значительно упростить решение ряда теплотехнических задач и может применяться не только в «Системах 3Т», но и в других системах теплоснабжениях, например, для горячего водоснабжения вместо двухступенчатой системы. 3. Использование трубопроводов теплоснабжения, как непосредственно для целей теплоснабжения, так и для горячего водоснабжения (открытая система). (Здесь и далее открытая система рассматривается как система, применяемая непосредственно для каждого потребителя здания, а не всей системы теплоснабжения, которая может работать по независимой схеме.)Особенно это приемлемо в связи с распространением в отопительно-вентиляционной технике и горячего водоснабжения использования пластиковых и металлопластиковых труб, не подверженных коррозии. В этом случае системы могут быть как с цетрализованным теплообменником, так и индивидуальным, у каждого потребителя. Внедрение этих систем ведет к экономии тепловой энергии, т.к. расход теплоты на горячее водоснабжение будет учитываться расходом на обогрев помещений. Другими словами, внося в обслуживаемое помещение теплоту с водой горячего водоснабжения, мы тем самым уменьшаем потребность в теплоте, идущей в систему обогрева помещения. Легко осуществить режим приоритетного горячего водоснабжения, который широко используется в коттеджном строительстве (индивидуальные газовые котельные).С другой стороны, используя трубопроводы отопления для транспортировки воды горячего водоснабжения, значительно упрощается трассировка трубопроводов горячего водоснабжения ванн, санузлов, раковин на кухне и т.п. В этом случае, трубопроводы системы отопления, прокладываемые практически по периметру помещения, используются для транспортировки горячей воды к местам ее потребления. Одновременно отпадает необходимость в специальной прокладке циркуляционного трубопровода горячего водоснабжения. Правда, это обстоятельство предъявляет некоторые специфические требования, касающиеся разводки трубопроводов и регулировки, отключению нагревательных приборов отопления в теплый период года, когда отопление не требуется. Назовем «Системы 3Т», использующие принцип открытых систем теплоснабжения, модернизированными системами и обозначим их «Системами 3Тм». Именно, принцип открытых систем (использующих теплоноситель и горячую воду ГВС как единую среду) позволяет значительно уменьшить не только потребление теплоты, но и установочную мощность теплообменников, применяемых в термотрансформаторах, за счет рационального использования термоаккумулирующих свойств строительных конструкций и не совпадения режимов потребления теплоты. На рис. 1, 2, 3 приведены принципиальные схемы модернизированных «Систем 3Тм». Принципиальные схемы на рис. 1 предполагают, что открытой является центральная система теплоснабжения. Теплофикационная вода, идущая на нужды горячего водоснабжения, поступает с центральной тепловой станции, а у потребителя она только расходуется. В данном случае термотрансформаторы у потребителей представляют простую конструкцию, которая несколько усложняется при осуществлении термотрансформатором качественного регулирования.«Системы 3Тм» на рис. 2 подсоединены к центральной тепловой сети по независимой схеме — через теплообменник, а снабжение теплотой отопительно-вентиляционных систем и горячего водоснабжения осуществляется у каждого потребителя по открытой схеме. Теплоноситель систем отопления, обогрева пола и т.п. используется для целей горячего водоснабжения. Система позволяет осуществлять у потребителя как количественное, так и качественное регулирование параметров теплоносителя, используя для этой цели либо насосное побуждение, либо избытки гидравлического давления теплоносителя. Целесообразность установки расширительного сосуда, изображенного на схеме, должна решаться в каждом конкретном случае с учетом, принятого алгоритма регулирования и эксплуатации системы у потребителя. Схемы на рис. 3 позволяют отказаться от использования у потребителей теплообменников, уменьшив габаритные размеры термотранформаторов, переместив теплообменник либо на начало каждого стояка, либо установив его на вводе тепловой сети в здание. Для качественного регулирования параметров теплоносителя в системах каждого потребителя возможен вариант использования четвертого рециркуляционного трубопровода обратного теплоносителя. По мнению автора, наибольший интерес должна представлять модернизация с индивидуальными теплообменниками у каждого потребителя. В этом случае обеспеченность теплотой полностью обусловливается техническим состоянием и оснащенностью термотрансфоратора потребителя. В случае непредвиденных ситуаций, аварии, страдает один потребитель, а не жители подъезда или дома и т.п. Профилактический ремонт можно производить тоже у каждого потребителя, не затрагивая интересов соседей. При использовании данных «Систем 3Тм» проектировщику необходимо решить вопросы совместной работы систем горячего водоснабжения и систем так называемого местного теплоснабжения. Особенно этот вопрос возникает в период, когда не требуется обогрев помещения (отопление) и подогрев вентиляционного воздуха. Так, отключение упомянутых систем можно произвести автоматически по датчику наружного воздуха, или вручную по сезону, либо использовать как сигнал положение трехходового клапана на циркуляционном кольце и т.д.Следует отметить, что в данный момент, внедряя приведенные выше системы, необходимо руководствоваться правилами отпуска теплоты соответствующими теплогенерирующими станциями. Однако внедрение этих систем открывает большие возможности в качестве удовлетворения возрастающих требований потребителей, а это дает возможность тепловым станциям широко варьировать температурный график и сезонность отпуска теплоты теплогенерирующими станциями. Подведение теплоносителя непосредственно к потребителю дает возможность использовать его для обогрева помещений и других целей в переходный период года, отказавшись от сезонного использования электроэнергии на цели отопления. Может возникнуть потребность в разработке новых специфических тарифов за теплоту.
1. Аничхин А.Г. «Система 3Т» — система теплоснабжения отопления, вентиляции и горячего водоснабжения жилых и многофункциональных зданий ХХI века. Журнал «С.О.К.», №4/2006. 2. Аничхин А.Г. Система снабжения здания теплом и холодной водой («Система 3Т»). Патент 2287743С1RU. 3. Аничхин А.Г. Термотрансформаторы для «Системы 3Т» (номенклатура, принципиальные конструктивные схемы, основное оборудование). Журнал «С.О.К.», №11/2007. 4. Аничхин А.Г. Водоснабжение по способу «All Heat Up». Журнал «С.О.К.», №1/2007г. 5. Аничхин А.Г. Заявка на патент. Способ водоснабжения объекта. Регистрационный номер 2006146524 от 27.12.06. 6. Аничхин А.Г. «Теплообменная установка» Заявка на патент. Регистрационный номер 2006146524 от 27.12.06. 7. Аничхин А.Г. «Система снабжения здания теплом и холодной водой» («Система 3Тм»). Заявка на патент. Регистрационный номер.
«Система 3Тм» — модернизированная система теплоснабжения, отопления, ГВС и вентиляции жилых и многофункциональных зданий
Опубликовано в журнале СОК №6 | 2008
Rubric:
Системы теплоснабжения, отопления, вентиляции и горячего водоснабжения жилых и многофункциональных зданий — «Система 3Т» [1, 2] являются одними из перспективных систем, позволяющими решать наиболее трудные вопросы теплоснабжения, горячего водоснабжения, вентиляции при одновременном вполне корректном учете потребления тепловой энергии и холодной воды любого потребителя, находящегося в здании.
- Аничхин А.Г. «Система 3Т» — система теплоснабжения отопления, вентиляции и горячего водоснабжения жилых и многофункциональных зданий ХХI века. Журнал «С.О.К.», №4/2006.
- Аничхин А.Г. Система снабжения здания теплом и холодной водой («Система 3Т»). Патент 2287743С1RU.
- Аничхин А.Г. Термотрансформаторы для «Системы 3Т» (номенклатура, принципиальные конструктивные схемы, основное оборудование). Журнал «С.О.К.», №11/2007.
- Аничхин А.Г. Водоснабжение по способу «All Heat Up». Журнал «С.О.К.», №1/2007г.
- Аничхин А.Г. Заявка на патент. Способ водоснабжения объекта. Регистрационный номер 2006146524 от 27.12.06.
- Аничхин А.Г. «Теплообменная установка» Заявка на патент. Регистрационный номер 2006146524 от 27.12.06.
- Аничхин А.Г. «Система снабжения здания теплом и холодной водой» («Система 3Тм»). Заявка на патент. Регистрационный номер.