Сантехника Отопление Кондиционирование

«СИСТЕМА 3Т» — система тепло- снабжения отопления, вентиляции и горячего водоснабжения жилых и многофункциональных зданий XXI века

35537 0
Опубликовано в журнале СОК №4 | 2006
Автор:

Системы отопления, вентиляции и горячего водоснабжения являются определяющими в характеристике благоустройства современных жилых, общественно-административных и производственных зданий и сооружений.

Рис. 1. Принципиальная схема отопления, вентиляции и горячего водоснабжения здания, до 90-х гг. XX-го столетия

Рис. 1. Принципиальная схема отопления, вентиляции и горячего водоснабжения здания, до 90-х гг. XX-го столетия

Рис. 2. Принципиальная схема отопления, вентиляции и горячего водоснабжения здания, возникшая после 90-х гг.

Рис. 2. Принципиальная схема отопления, вентиляции и горячего водоснабжения здания, возникшая после 90-х гг.

Рис. 3. Принципиальная схема систем отопления, вентиляции и горячего водоснабжения здания «Система 3Т»

Рис. 3. Принципиальная схема систем отопления, вентиляции и горячего водоснабжения здания «Система 3Т»

Рис. 4. Принципиальная схема термотрансформатора с теплообменниками для ГВС, отопления, обогрева полов и вентиляции со смесит. насосами

Рис. 4. Принципиальная схема термотрансформатора с теплообменниками для ГВС, отопления, обогрева полов и вентиляции со смесит. насосами

Рис. 5. Принципиальная схема термотрансформатора с теплообменниками для ГВС, отопления и вентиляции (со смесительными насосами).

Рис. 5. Принципиальная схема термотрансформатора с теплообменниками для ГВС, отопления и вентиляции (со смесительными насосами).

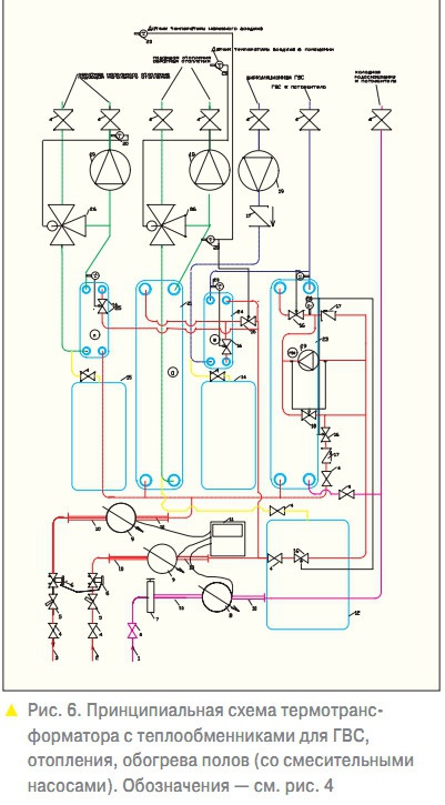
Рис. 6. Принципиальная схема термотрансформатора с теплообменниками для ГВС, отопления, обогрева полов (со смесительными насосами).

Рис. 6. Принципиальная схема термотрансформатора с теплообменниками для ГВС, отопления, обогрева полов (со смесительными насосами).

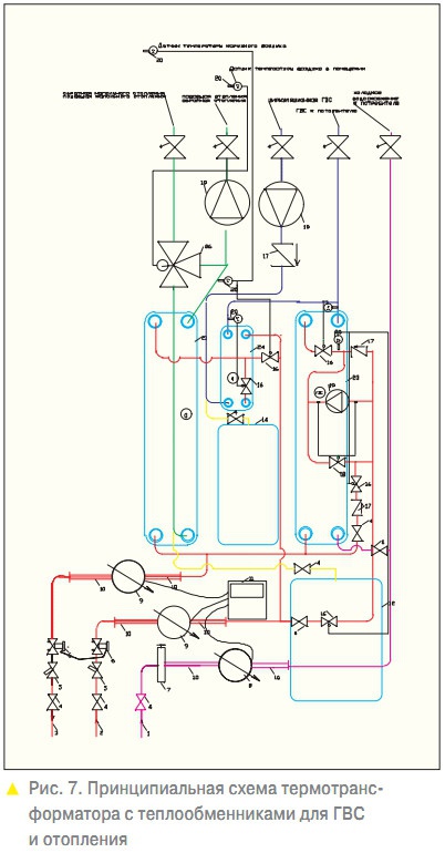
Рис. 7. Принципиальная схема термотрансформатора с теплообменниками для ГВС и отопления

Рис. 7. Принципиальная схема термотрансформатора с теплообменниками для ГВС и отопления

Рис. 8. Термотрансформаторы с теплообменниками для ГВС и без теплообменников для отопления, обогрева полов и вентиляции (со смесительными насосами)

Рис. 8. Термотрансформаторы с теплообменниками для ГВС и без теплообменников для отопления, обогрева полов и вентиляции (со смесительными насосами)

Рис. 9. Принципиальная схема термотрансформатора с теплообменниками для ГВС и без теплообменников для отопления и вентиляции (со смесительными насосами)

Рис. 9. Принципиальная схема термотрансформатора с теплообменниками для ГВС и без теплообменников для отопления и вентиляции (со смесительными насосами)

Рис. 10. Принципиальная схема термотрансформатора с теплообменниками для ГВС и без теплообменников для отопления и обогрева полов (со смесительными насосами)

Рис. 10. Принципиальная схема термотрансформатора с теплообменниками для ГВС и без теплообменников для отопления и обогрева полов (со смесительными насосами)

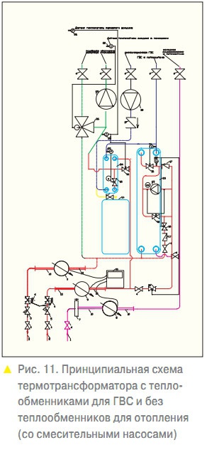
Рис. 11. Принципиальная схема термотрансформатора с теплообменниками для ГВС и без теплообменников для отопления (со смесительными насосами)

Рис. 11. Принципиальная схема термотрансформатора с теплообменниками для ГВС и без теплообменников для отопления (со смесительными насосами)

Рис. 12. Термотрансформаторы с теплообменниками для ГВС и без теплообменников для отопления, обогрева полов и вентиляции (без смесительных насосов)

Рис. 12. Термотрансформаторы с теплообменниками для ГВС и без теплообменников для отопления, обогрева полов и вентиляции (без смесительных насосов)

Рис. 13. Термотрансформаторы с теплообменниками для ГВС и без теплообменников для отопления и вентиляции (без смесительных насосов)

Рис. 13. Термотрансформаторы с теплообменниками для ГВС и без теплообменников для отопления и вентиляции (без смесительных насосов)

Табл. 1. Классификация термотрансформаторов (ТТ)

Табл. 1. Классификация термотрансформаторов (ТТ)

До 90-х гг. прошлого столетия, когда стоимость эксплуатации этих систем, а также стоимость отпускаемой для них теплоты, в значительной степени дотировались государством и далеко не отражали действительной цены, потребителей практически не интересовало устройство этих систем и способы доставки и учета теплоты. Тем более, что занимаемые площади (в особенности жилые) предоставлялись бесплатно.

В этих условиях в практику внедрились централизованные системы теплоснабжения, представляющие системы отопления с вертикальными или горизонтальными стояками, соединяющими нагревательные приборы, размещенные у различных потребителей, а также самостоятельные системы теплоснабжения воздухонагревателей вентиляционных установок, и разводящие по всему зданию подающий и циркуляционный трубопроводы горячего водоснабжения, а также трубопровод холодного водоснабжения (рис. 1).

Независимо от схем присоединения систем отопления, теплоснабжения воздухоподогревателей и горячего водоснабжения подсоединение этих систем к центральной системе теплоснабжения осуществлялось в центральных или индивидуальных тепловых пунктах (ЦТП или ИТП) Эти пункты размещались либо непосредственно в обслуживаемом здании (ИТП), либо в отдельно стоящих сооружениях (ЦТП). В ЦТП или ИТП проводился интегральный учет расхода теплоносителя, поступающего на обслуживаемый объект из тепловой сети и магистрального трубопровода холодного водоснабжения.

При этом от тепловых пунктов к каждому потребителю поступало семь трубопроводов: два трубопровода — отопление, два— горячее водоснабжение, два— системы теплоснабжения воздухонагревателей, обслуживающих приточные вентиляционные системы потребителя и трубопровод холодного водоснабжения. В начале 90-х гг. в РФ появилась частная собственность, что значительно повлияло на принятие архитектурно- планировочных и строительных решений, а также на требования к указанным выше инженерноp-техническим решениям систем.

Так, частная собственность на отдельные строительные площади обусловила необходимость производить измерение потребляемой каждым потребителем теплоты, горячей и холодной воды для коммерческих расчетов. Кроме того, как жилые, так и административно-общественные здания, стали строиться многофункциональными: в подземных и первых этажах размещают гаражи-автостоянки, помещения на последующих этажах имеют иное назначение.

В жилых зданиях жилые помещения и гаражи отделяются друг от друга офисами. Такое размещение в здании помещений различного функционального назначения в сочетании с их возможной принадлежностью различным собственникам обусловливает необходимость соответствующего увеличения разводящих трубопроводов систем отопления, теплоснабжения вентиляционных воздухонагревателей и систем горячего и холодного водоснабжения.

Это определяет потребность в сооружении технических этажей и их значительную заполненность разводящими трубопроводами (до 21 и более трубопроводов). Перечисленные выше требования к инженерным системам определило и естественную трансформацию ранее используемых традиционных технических решений.

Так, распространилось, что системы отопления в пределах каждого потребителя выполняют горизонтальными с установкой индивидуальных тепловых счетчиков, системы горячего и холодного водоснабжения каждого потребителя оборудуются соответствующими водомерами (рис. 2). Частная собственность на недвижимость предопределила и разнообразие требований к отделке помещений: планировке, количеству санузлов и их оснащению, качеству обогрева отдельных помещений, поддержанию параметров в рабочей зоне, к обогреву полов прихожих, кухонь, санитарных узлов и т.п., к регулировке температур в различных комнатах, системам проветривания.

Несмотря на осуществляемую приспособляемость к возможным требованиям потребителей рассматриваемой схемы свойственны следующие недостатки.

  1. Большое количество разводящих трубопроводов, а, следовательно, высокая металлоемкость систем;
  2. Повышенная потребность в расходомерах и тепловых счетчиках;
  3. Некорректное взымание платы за горячую воду. Плата за горячую воду берется за измеренное физическое количество потребленной воды по трубопроводу горячего водоснабжения (за 1 м3) без учета ее фактической температуры. Это неправильно, т.к. плата за горячую воду должна складываться из стоимости потребленной холодной воды и количества теплоты, затраченной на подогрев ее до требуемой температуры.Кроме, того используемый метод определения стоимости потребленной горячей воды не позволяет правильно оценить стоимость теплоты идущей на подогрев циркуляционной горячей воды;
  4. Сложившаяся система теплоснабжения не позволяет осуществить обогрев полов, что содействует распространению практики присоединения систем обогрева полов к циркуляционному трубопроводу горячего водоснабжения.В этом случае теплота, идущая на обогрев полов, потребителем не учитывается, а оплачивается всеми арендаторами здания;
  5. Оборудование в квартирах жилых домов разветвленной системы трубопроводов горячего водоснабжения нескольких санитарных узлов, расположенных на значительном расстоянии друг от друга, приводит к значительному увеличению замеряемого расхода горячей воды, что обусловлено отсутствием циркуляции горячей воды в потребительской системе;
  6. Самостоятельная установка потребителем нагревательных приборов вызывает опасность их разрыва от повышенного гидравлического давления или неоправданное использование нагревательных приборов большей металлоемкости. Это особенно опасно при строительстве зданий повышенной этажности;
  7. Поскольку плата берется за потребленную теплоту и воду, то потребитель вправе требовать, чтобы данные системы работали круглый год,и можно было бы осуществить обогрев помещений даже в прохладные осенние дни, не дожидаясь начала отопительного сезона;
  8. Использование окон повышенной герметичности постепенно ставит на повестку дня проблему механического проветривания помещений обитания. Это в многоквартирных, жилых зданиях и в общественно административных зданиях с большим количеством арендаторов требует оборудования каждого из помещений системой приточной вентиляции и соответственно системой теплоснабжения воздухонагревателей. Для удовлетворения этого требования приведенная на рис. 2 система значительно усложняется. Увеличивается количество трубопроводов, счетчиков теплоты и т.п.

Из изложенного следует, что приспособленческое использование традиционных приемов отопления, вентиляции и горячего водоснабжения приводит к значительным усложнениям этих систем, загромождению здания и несмотря на все это не в состоянии полностью удовлетворить запросы потребителей. Необходимо полностью отказаться от ранее сложившихся технических решений и осуществить принципиально новый подход к решению выявленных проблем.

Учитывая все изложенное, автором предложена к внедрению новая система отопления, вентиляции, горячего водоснабжения. Новизна технического решения заключается в том, что независимо от наличия в зданиитеплового пункта к каждому потребителю-арендатору подводятся только три трубопровода: подающий и обратный трубопроводы теплоснабжения и трубопровод холодного водоснабжения, а на вводе у каждого потребителяарендатора монтируется термотрансформатор (рис. 3).

Для краткости дальше данную систему будем называть «Система 3Т». Рассмотрим более подробно технические и конструктивные особенности этой системы. Основным элементом системы 3Т, как уже указывалось, является термотрансформатор (ТТ).Он представляет собой шкаф с возможными максимальными, габаритными размерами 600x600x1500 мм, выполненный либо в строительном исполнении, либо в виде металлического шкафа.

Данные шкафы могут размещаться как на полезной площади потребителей-арендаторов, так и на общей коммуникационной площади здания, например, лифтовом холе или лестничной площадке. По мнению авторов, предпочтение следует отдавать ТТ, выполненным в заводских условиях, в виде металлических шкафов и размещать их на этажном лифтовом холле. Это исключает необходимость проникновения на площадь потребителей-арендаторов при возникновении различных экстремальных случаев (залив и т.п.) в период эксплуатации.

Именно на ТТ возлагаются функции измерения количеств потребленной теплоты и холодной воды, а также приготовления, транспортировки и регулирования требуемых расходов теплоносителя с необходимыми температурными параметрами для определенных целевых нужд. Поэтому независимо от конкретного комплекса решаемых технических задач все ТТ, обязательно должны быть оборудованы тепломерами и счетчиком холодной воды, регистрирующими расход теплоты и воды потребляемой потребителем-арендатором, а также различной запорно-регулирующей арматурой.

Кроме того все ТТ должны оснащаться теплообменниками для подогрева циркуляционной воды и приготовления горячей воды. Следует заметить, что ТТ могут применяться совместно с баками-аккумуляторами горячей воды. В этом случае баки-аккумуляторы желательно располагать непосредственно на площади потребителя. При данном использовании баков-аккумуляторов помимо обычных известных достоинств баки позволяют уменьшить габариты ТТ, а также эффективно использовать их для приготовления горячей воды в период ремонта систем теплоснабжения.

Желая максимально использовать температурный потенциал теплофикационного теплоносителя, теплообменник подогрева циркуляционной воды горячего водоснабжения подсоединяют к системе теплоснабжения предвключено системе отопления. Подогрев циркуляционной воды в этом теплообменнике осуществляют по датчику температуры воды, настроенным на 55–60°С.

Подогрев холодной воды для целей горячего водоснабжения осуществляют в основном теплообменнике до температуры 50–55°С теплоносителем, приготовляемым смешиванием подающего и обратного теплоносителя. Расчетная температура теплоносителя на выходе из основного теплообменника может быть принята 15–20°С.

Подсоединение систем отопления к трубопроводам теплоснабжения в ТТ может быть осуществлено следующими способами: непосредственно через запорную, регулирующую арматуру (открытая система); при помощи смесительного циркуляционного насоса; через индивидуальное, циркуляционное, отопительное кольцо с теплообменником, подсоединенным к подающему и обратному трубопроводам системы теплоснабжения (закрытая система).

Как указывалось выше, в последнее время потребители самостоятельно несанкционировано с нарушением технических норм устраивают обогрев полов. Для обогрева полов требуется теплоноситель постоянной температуры 50–60°С, т.е. осуществить обогрев полов от отопительной системы не представляется возможным,и они подсоединяют системы обогрева к циркуляционной линии горячего водоснабжения.

При таком присоединении сейчас потребитель не оплачивает теплоту, идущую на обогрев пола. В связи с этим в ТТ предусматриваются мероприятия, обеспечивающие возможность присоединения систем обогрева полов к трубопроводам теплоснабжения. Для этого, в зависимости от рабочих параметров теплоносителя, ТТ снабжаются смесительным циркуляционным насосом, присоединеннымк подающему и обратному трубопроводам либо непосредственно через запорную, регулирующую арматуру, либо через теплообменник.

В тех случаях, когда у потребителей возникает необходимость устройства приточно-вытяжной вентиляции, например в офисах, магазинах и т.п., а также в жилых квартирах, ТТ должны оборудоваться присоединительными элементами систем теплоснабжения воздухоподогревателей приточных вентиляционных систем. Присоединение этих систем может выполняться: непосредственно через запорную, регулирующую арматуру; через смесительный, циркуляционный насос; через теплообменник со смесительным насосом на стороне воздухонагревателя.

Для большей наглядности полная классификация возможных вариантов выполнения ТТ приведена в табл. 1. Она охватывает не все возможные варианты исполнения ТТ.Так, не рассмотрены ТТ только для ГВС, отопления и вентиляции, а конструктивное такое сочетание может найти потребность в офисах, магазинах и т.д.Кроме того в таблице не проведено разделение ТТ по вариантам исполнения систем приготовления горячей воды: с баком аккумулятором и без бака аккумулятора, что практически удваивает количество принципиальных схем исполнения ТТ.

При промышленном изготовлении ТТ проектирование теплоснабжения систем отопления, вентиляции и горячего водоснабжения практически сводится к подводке к каждому потребителю трех трубопроводов, а выбор вида ТТ и оснащение его автоматизированным сервисом осуществляется самим потребителемв зависимости от финансовых возможностей и интеллектуальных потребностей. Одним из существенных требований, которым должен удовлетворять выбранный ТТ, это открытая или закрытая система.

Исходя из универсальности рекомендаций и полного исключения аварийных ситуаций при эксплуатации следует использовать преимущественно ТТ для закрытых систем — с теплообменниками. Но эти ТТ наиболее дорогие. При использовании баков-аккумуляторов и еще оборудованных электронагревателем позволит уменьшить габариты теплообменника ГВС в ТТ и одновременно обеспечить некоторую независимость ГВС от перебоев в снабжении теплотой в периоды ремонта тепловых сетей.

В соответствии с приведенной в табл. 1 классификацией ТТ на рис. 4–15 представлены принципиальные схемы ТТ.Так, схемы на рис. 4–7 относятся к так называемым закрытым системам, когда системы потребителя и системы теплоснабжения связаны между собой через теплообменники. Это обстоятельство позволяет в значительной степени изолировать потребительские системы от отрицательного влияния внешних подводящих систем.

В этом случае оборудование потребителя может находиться под избыточным давлением более низком, чем давление в подводящих трубопроводах и не зависеть от гидростатического давления, определяемом высотой здания. Можно использовать у потребителя менее металлоемкое оборудование. Температурный режим у каждого потребителя может обеспечиваться в индивидуальном автоматическом режиме.

Смесительный насосный узел обеспечивает регулирование по температуре непосредственно у потребителя, тем самым обеспечивая максимальное использование температурного потенциала теплоносителя. Температура теплоносителя после теплообменника регулируется расходом первичного теплоносителя и корректируется по температуре наружного воздуха. Регулирование температуры горячей воды осуществляется во всех без исключения ТТ по алгоритму описанному ранее и обязательно с помощью теплообменников.

Системы обогрева полов работают, как правило, в режиме постоянных температур теплоносителя, чтобы температура пола имела одну и ту же комфортную температуру во все периоды года. Это наилучшим способом может быть достигнуто с помощью смесительного насосного узла с теплообменником. Однако когда не предъявляются высокие требования к системе обогрева полов, то допустимо не использовать теплообменник.

ТТ, приведенные на рис. 8–11, характеризуются непосредственным присоединением к системе теплоснабжения через смесительные насосные узлы— открытая схема. Параметры поддерживаются регулировкой температуры теплоносителя смешением подающей и обратной воды в требуемых соотношениях. На рис. 12–15 изображены схемы ТТ, непосредственно присоединяемые к системам теплоснабжения без смесительных насосов (тоже открытая система).

Эти ТТ в отличии от ТТ со смесительными насосами обладают более низкими регулирующими свойствами, т.к. у потребителя изменяются расходы теплоносителя в местных системах и происходит более инерционное регулирование температуры теплоносителя, поступающего по системе теплоснабжения. Все ТТ без теплообменников наиболее просты и могут использоваться в зданиях высотой не выше 10–12 этажей.

В зданиях большей этажности ТТ без теплообменников могут применяться на верхних этажах, а на нижних этажах использоваться ТТ с теплообменниками. Промышленность выпускает теплообменники с допустимым рабочим давлением до 40 атм, а следовательно, «Система 3Т» может найти применение и в зданиях повышенной этажности. Подводя итог, можно сделать следующие выводы, что разработанная «Система 3Т» позволяет:

  • значительно упростить разводку трубопроводов инженерных систем по зданию;
  • обеспечить точную регистрацию теплоты и воды каждым потребителем при помощи одного тепломера и одного водомера;
  • исключить влияния гидравлического и теплового режимов внешней сети на местные сети;
  • предоставить возможность каждому потребителю для благоустройства использовать любое теплотехническое оборудование;
  • исключить перебои в снабжении горячей водой во время сезонных ремонтных работ;
  • при размещении ТТ на этажных лестничных площадках исключить отключение всех потребителей от инженерных систем в случае аварии у одного из них;
  • ремонтировать и регулировать работу местных систем потребителей без проникновения на площади, занимаемые потребителем;
  • обеспечить автоматический контроль и автоматическое дневное и недельное регулирование параметров в обслуживаемом помещении;
  • официально использовать отпускаемую теплоту для поддержания температуры в помещении в переходные периоды или по мере необходимости;
  • избежать зонирования систем отопления, теплоснабжения воздухонагревателей и обогрева полов в зданиях повышенной этажности (высотных зданиях);
  • при заводском изготовлении ТТ значительно облегчить монтажные работы, а также: упростить и облегчить организацию монтажа инженерных систем потребителем; обеспечить каждому потребителю желаемую степень коммунальной комфортности
  1. Справочник проектировщика Внутренние санитарно-технические устройства. Ч. 1. «Отопление, водопровод, канализация» под ред. И.Г. Староверова, М.: «Стройиздат», 1975.
  2. СНиП «Отопление, вентиляция и кондиционирование» СНиП 2.04.05–91*, п. 3.15.
  3. Заявитель Аничхин А.Г. Заявка на патент 2005108909/03 (010564). Система снабжения здания теплом и холодной водой. Дата подачи 29.03.2005.
  4. Аничхин А.Г. «Система 3Т» — универсальная система теплоснабжения жилых и общественных зданий. Журнал «Технологии строительства» АРД-Центр, №1(42)/2006.
  5. Аничхин А.Г. Новая система теплоснабжения, отопления, вентиляции и горячего водоснабжения. Газета «Строительный эксперт», РНТО строителей, №3(214)/2006.
Комментарии
  • В этой теме еще нет комментариев
Добавить комментарий

Ваше имя *

Ваш E-mail *

Текст комментария