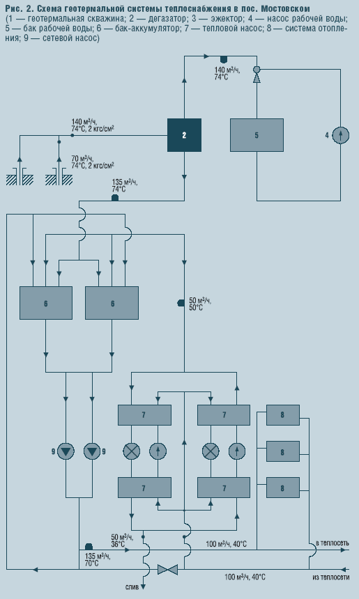
Ресурсная база геотермальных вод для теплоснабжения определяется согласно карте [1]. Основные направления развития геотермального теплоснабжения установлены концепцией Минэнерго России [2]. Системы геотермального теплоснабжения существенно отличается от традиционных. Они состоят из продуктивных и реинжекционных скважин, насосных станций и тепловых пунктов (ТП). Эти ТП имеют специфические тепловые и гидравлические характеристики. К их оборудованию, схемам, режимам эксплуатации предъявляются дополнительные требования. Конструкции тепловых сетей, отопления, горячего водоснабжения потребителей при независимом подключении в основном применяются обычные. На рис. 1 представлена одноконтурная схема геотермальной системы теплоснабжения в пос. Мостовском Краснодарского края расчетной тепловой мощностью 5 МВт. Геотермальная вода от двух скважин с дебитом каждой 45–70 м3/ч и температурой 75°С после дегазации поступает в два бака-аккумулятора вместимостью по 300 м3. Вода данных скважин имеет общую минерализацию 0,9–1,0 г/л и соответствует государственному стандарту на питьевую воду. Утилизация теплоты сбросной термальной воды осуществляется двумя парокомпрессионными тепловыми насосами расчетной тепловой мощностью 500 кВт. Теплоноситель после системы отопления перед тепловыми насосами разделяется на два потока, один из которых охлаждается до 10°С и сливается в водоем, а второй догревается до 50°С и возвращается в баки-аккумуляторы. В России проектирование геотермальных систем теплоснабжения производится в соответствии с нормами [3]. Они содержат следующие основные разделы: теплотехнические и экономические принципы использования, схемы и оборудование, тепловой расчет систем отопления и охлаждения, регулирование отопления. Основными теплотехническими принципами совершенства геотермальной системы теплоснабжения приняты минимальный расход геотермальной воды и максимальное значение коэффициента эффективности, определяемого по формуле: ~3~ где ηгеот. — коэффициент эффективности; i — степень относительного срабатывания температурного перепада; Z — степень относительного использования максимума нагрузки; ξ— степень относительного увеличения расчетного дебита термоводозабора; dн — доля пикового догрева в годовом тепловом балансе системы геотермального отопления. Экономические принципы, регламентированные нормами [3], требуют пересмотра в условиях рыночной экономики. Разделы по схемам, оборудованию, системам отопления и регулирования основаны на устаревших подходах и технических решениях. Термины и определения не соответствуют общепризнанной международной терминологии. Помимо указанных норм имеются книги Б.А. Локшина [3], А.Г. Гаджиева с соавторами [5] по анализу опыта разработки и эксплуатации систем геотермального теплоснабжения. К числу наиболее масштабных проектов относится разрабатываемая система геотермального теплоснабжения города Лабинска Краснодарского края с населением 70 тыс. человек. Геотермальное месторождение вскрыто четырьмя скважинами с дебитами 2500–5000 м3/сут и температурой 110–120°С, минерализацией 14 г/л, содержание фенолов составляет до 0,4 мг/л. Прогнозные эксплуатационные ресурсы месторождения оценены в 20 тыс. м3/сут или 100 МВт. Расчетные тепловые нагрузки объектов города обеспечиваются 21 коммунальной и 25 производственных котельными. Большинство котельных оборудованы малоэффективными чугунными котлами и требуют модернизации. На основании анализа тепловых нагрузок города и ресурсных характеристик месторождений расчетная тепловая мощность геотермальной системы теплоснабжения определена в 60 МВт. При этом предусматриваемаяее поэтапная реализация с первоочередным использованием трех существующих и бурением одной новой скважины. Все скважины соединяются магистральным теплопроводом, пропускная способность которого рассчитана на перспективное развитие до 60 МВт (рис. 2). Стоимость реализации данного проекта согласно разработанному бизнес-плану — $ 21 млн, срок окупаемости — 5 лет. С учетом изложенного можно сделать следующие выводы: 1. В России имеются значительные ресурсы для развития геотермального теплоснабжения и определенный опыт их сооружения и эксплуатации. 2. Для масштабного развития геотермального теплоснабжения необходимо использовать мировой опыт и в первую очередь применения реинжекции на термозаборах и тепловых насосов для глубокого охлаждения теплоносителя. 3. Российские нормы проектирования геотермального теплоснабжения целесообразно доработать с учетом апробированных с мировой практике технических решений и оборудования. Литература: 1. Д.Д. Дядькин, А.Б. Вайнблат, Э.И. Богуславский, И.М. Остроумова и др. Карта ресурсов геотермального теплоснабжения территории СССР. Масштаб 1:10000. Л., ВСЕГИНГЕО, 1991. 2. Концепция развития и использования возможностей малой и нетрадиционной энергетики в энергетическом балансе России. М, Минэнерго РФ, 1994. 3. Нормы проектирования. Раздел «Установки солнечного горячего водоснабжения»: ВСН 52–86, Госгражданстрой СССР. М., 1987. 4. Б.А. Локшин. Использование геотермальных вод для теплоснабжения. М., «Стройиздат», 1974. 5. А.Г. Гаджиев, Ю.И. Султанов, П.Н. Ригер и др. Геотермальное теплоснабжение. М., «Энергоатомиздат», 1984. РИСУНКИ: 1 ~1~; 2~2~;
Состояние дел и перспективы развития российских систем геотермального теплоснабжения
Опубликовано в журнале СОК №5 | 2005
Rubric:
Тэги:
Ресурсы геотермальных месторождений России обеспечивают хорошие перспективы развития теплоснабжения. В отдельных регионах их использование может обеспечить до 10% суммарного энергопотребления. Максимальный объем добычи геотермальных вод был достигнут в 1984 г. — 60,8 млн м3. В настоящее время термальные водозаборы эксплуатируются в основном в трех регионах: Краснодарском крае, Дагестане, Камчатке.
- Д.Д. Дядькин, А.Б. Вайнблат, Э.И. Богуславский, И.М. Остроумова и др. Карта ресурсов геотермального теплоснабжения территории СССР. Масштаб 1:10000. Л., ВСЕГИНГЕО, 1991.
- Концепция развития и использования возможностей малой и нетрадиционной энергетики в энергетическом балансе России. М, Минэнерго РФ, 1994.
- Нормы проектирования. Раздел «Установки солнечного горячего водоснабжения»: ВСН 52–86, Госгражданстрой СССР. М., 1987.
- Б.А. Локшин. Использование геотермальных вод для теплоснабжения. М., «Стройиздат», 1974.
- А.Г. Гаджиев, Ю.И. Султанов, П.Н. Ригер и др. Геотермальное теплоснабжение. М., «Энергоатомиздат», 1984.