 
Рис. 1. Гидравлическая схема чиллеров CLINT, работающих в режиме Free Cooling
 
Рис. 2. Зависимости энергоэффективности компрессоров Turbocor и винтовых компрессоров в чиллерах с воздушным охлаждением конденсатора
В странах с длинным осенне-зимним сезоном, к которым относится и Россия, все больше востребовано оборудование, способное охлаждать жидкости при низких температурах окружающей среды без использования машинного охлаждения (компрессоров). Применение режима естественного охлаждения (Free Cooling) позволяет значительно уменьшить годовое потребление электроэнергии. В климатических условиях Российской Федерации внедрение данной технологии актуально практически на всей территории страны. Помимо систем кондиционирования, агрегаты с режимом Free Cooling используются в следующих областях:
- в производственных технологических процессах для охлаждения жидкостей и оборудования;
- в деловых центрах с теплоизбытками от оргтехники, серверных помещениях;
- в торгово-развлекательных центрах, помещениях для кинопроекционных аппаратов.
Для решения этих задач разработаны специальные охладители для водногликолевых растворов. Преимущества такого оборудования очевидны:
- снижение энергозатрат в межсезонье и зимой;
- круглогодичное производство охлажденного водно-гликолевого раствора;
- низкие эксплуатационные затраты;
- длительный срок службы непосредственно самих компрессоров;
- снижен риск выхода компрессоров из строя, поскольку компрессоры не работают в экстремальных режимах.
Методы естественного охлаждения
Существует несколько методов естественного охлаждения. Прямой метод (Free Cooling) подразумевает непосредственное использование низкотемпературного воздуха окружающей среды для охлаждения помещений. Несмотря на простоту этого метода, он имеет ряд недостатков. К примеру, приточный воздух содержит взвеси пыли и агрессивные составляющие, присущие городской черте.
Кроме того, для большого расхода воздуха требуются крупногабаритные установки. При непрямом методе теплообменник сухого охладителя отводит тепло от холодоносителя непосредственно в окружающую среду. Метод миграции фреона основан на перетекании хладагента в наиболее холодную точку фреонового контура. При выключенном компрессоре клапан во фреоновом контуре чиллера открывается и напрямую соединяет испаритель и конденсатор.
Фреон испаряется и переходит в газообразное состояние в испарителе при теплообмене с «относительно теплой» водой, а далее перетекает в конденсатор как наиболее холодную точку контура, где охлаждается и переходит в жидкостное состояние. Ряд компаний в целях повышения эффективности применяют насос для перекачки фреона.
Однако при одних и тех же граничных наружных температурах воздуха, при которых наступает полный режим Free Cooling, холодопроизводительность этого метода ниже, чем при применении сухого охладителя. Кроме того, предельная рабочая температура наружного воздуха в этом случае ограничивается значением –25 °C.
Агрегаты CLINT с режимом свободного охлаждения
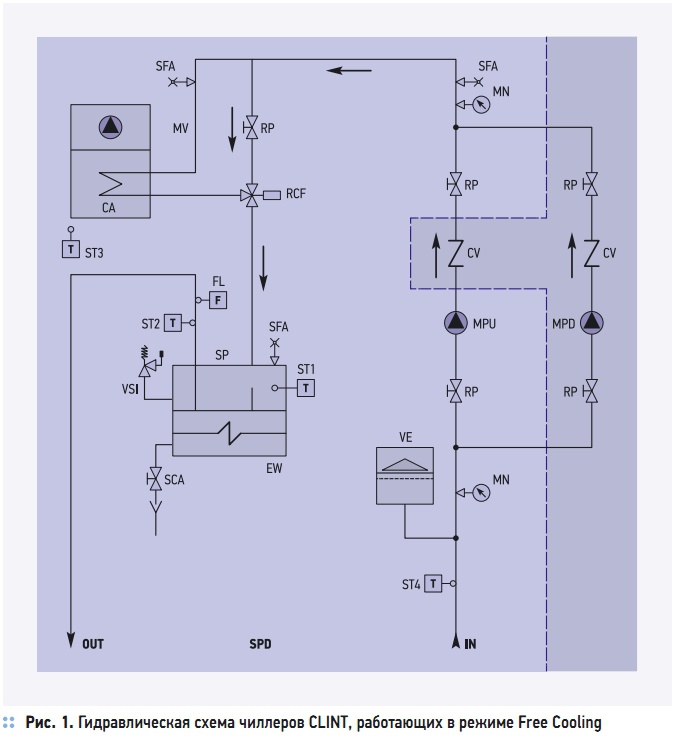
На рис. 1 представлена типовая гидравлическая схема чиллеров CLINT, работающих в режиме Free Cooling. При температуре наружного воздуха, на 2 °C меньшей температуры возвратной воды из системы, чиллер переходит в режим естественного охлаждения. Трехходовой вентиль, управляемый контроллером по датчикам входящей и выходящей воды и датчику наружного воздуха, направляет холодоноситель в теплообменник воздушного охлаждения.
Часть компрессоров отключается уже в межсезонье, начинается снижение энергопотребления. При дальнейшем снижении температуры наружного воздуха холодоноситель охлаждается до нужной температуры при отключенных компрессорах. При этом потребляемая мощность агрегата снижается в 10 раз за счет отключения компрессоров как основных потребителей, а электрическая мощность затрачивается только на работу вентиляторов.
В режиме полного Free Cooling чиллеры CLINT обеспечивают холодопроизводительность, равную машинному охлаждению, уже при температурах наружного воздуха от 0 до –2 °C. Вентиляторы теплообменника поддерживают необходимую температуру холодоносителя на выходе чиллера за счет плавного изменения скорости вращения. При температуре наружного воздуха ниже –20 °C для постоянного значения температуры на выходе чиллера, контроллер останавливает вращение вентиляторов и осуществляет управление только трехходовым вентилем, периодически «байпасируя» теплообменник, то есть периодически смешивая теплый холодоноситель из системы и холодный из теплообменника.
Естественно, для более длительного периода Free Cooling целесообразнее работать на «повышенных» температурах холодоносителя. Кроме того, при температурах холодоносителя 15/10 °C энергоэффективность чиллера при машинном охлаждении возрастает примерно на 12 %, а режим Free Cooling наступает при температуре наружного воздуха менее +7 °C. Конечно, агрегат с Free Cooling дороже стандартного, однако он быстро себя окупает за счет снижения электропотребления в зимний период.
Для регионов средней полосы России средняя наружная температура ниже +7 °C по СНиП составляет около 200 дней в году. Можно легко подсчитать потребление в режиме Free Cooling за этот период времени. При разнице энергопотребления в режиме Free Cooling и при использовании парокомпрессионного цикла срок окупаемости для чиллеров CLINT составит полтора-два сезона. Гамму чиллеров CLINT с Free Cooling открывают чиллеры СНА/K/FC 91-604 со спиральными компрессорами производительностью от 27 до 180 кВт на фреоне R410а.
Несомненно, наиболее выигрышными и по стоимости, и по техническим возможностям являются чиллеры СНА/K/FC 726-36012 на базе серии Multi Power, которая является лидером продаж. В этих чиллерах холодопроизводительностью от 208 до 1102 кВт на спиральных компрессорах и фреоне R410a использованы все удачные конструктивные решения стандартных агрегатов. Это двухконтурные машины, имеющие от трех до шести компрессоров в каждом контуре.
Применение электронных ТРВ, спиральных компрессоров и ступенчатая логика управления позволяют при загрузке агрегата ниже 80 % получать значение EER выше 3,1, что соответствует классу энергоэффективности «А». Агрегаты на винтовых компрессорах CHA/Y/FC 1202-6002-В на фреоне R134a холодопроизводительностью от 217 до 1460 кВт имеют опционально встроенный гидромодуль с накопительным баком емкостью 1100–2000 л.
Кожухотрубный теплообменник встроен в инерционный бак. Это позволило разместить в агрегате полноценный гидромодуль с насосами. Агрегаты с винтовыми компрессорами имеют опцию RZ-Stepless Control, так называемое «бесступенчатое регулирование производительности компрессора». Эта опция обеспечивает более точное регулирование производительности компрессора.
Turboline
Серия энергоэффективных агрегатов CLINT Turboline CHA/TTY/FC 1301-5004 холодопроизводительностью от 246 до 1450 кВт на фреоне R134a состоит из 18-ти типоразмеров. В чиллерах использованы центробежные безмасляные компрессоры Turbocor компании Danfoss с магнитным подвесом турбины. Применение компрессоров Turbocor позволило получить высокие показатели энергоэффективности чиллеров при частичных загрузках.
Энергоэффективность этих агрегатов выше, чем у традиционных чиллеров на винтовых компрессорах. Оборудование имеет наилучший показатель звукового давления и вибрации. Применение этих агрегатов позволяет дополнительно снизить энергопотребление в летний период на 23 %. За счет инверторной системы управления пусковые токи чрезвычайно низки — порядка 5 А на один компрессор, и оптимально подходят для промышленных систем кондиционирования с изменяемыми тепловыми нагрузками.
Благодаря уникальному сочетанию всех перечисленных возможностей чиллеры Turboline имеют класс энергоэффективности «А». Эти агрегаты дороже аналогов на винтовых компрессорах, однако разница в цене окупается за счет снижения эксплуатационных расходов в летний период на 50 %. Окупаемость первоначальных затрат составляет примерно четыре года. Успешный опыт Во всех чиллерах CLINT применяются контроллеры фирмы Danfoss с возможностью передачи информации по каналам GSM, GPRS, TCP/IP.
Также во всех агрегатах предусмотрен ряд технических решений для надежной работы при низких температурах наружного воздуха до –35…–30 °C: дополнительные нагреватели картеров компрессоров, подогрев контроллера, привода трехходового клапана, кабели с морозоустойчивой изоляцией и т.д. Опыт эксплуатации уже поставленного оборудования для технологических процессов подтвердил правильность решений.
В настоящее время разрабатываются дополнительные возможности для гарантированной работы при температурах наружного воздуха до –45…–35 °С. Российские заказчики уже успели по достоинству оценить чиллеры CLINT с режимом Free Cooling. Сегодня это оборудование успешно обслуживает ряд объектов, в числе которых: центр обработки данных компании «Крок» (город Москва); Пермский нефтеперерабатывающий завод — круглогодичное охлаждение технологической установки конденсации парафиновых смол; Торговый центр «Лапландия» (город Кемерово); Петродворец и Государственный университет (город Санкт-Петербург); Торговоразвлекательный центр «Макси» (город Череповец).
 
				 
                                        																		 
			 
			 
			 
			 
			 
			 
			 
			 
			 
			 
			 
			 
			 
			 
			 
			 
                                     
                                     
                                     
                                     
                                    