Сантехника Отопление Кондиционирование

Системы «свободного охлаждения»

38192 0
Опубликовано в журнале СОК №9 | 2006

Охлаждая помещение при температуре наружного воздуха ниже +10°С,можно отказаться от искусственных методов получения холода, используя естественный переход теплоты с высокого температурного уровня на более низкий.

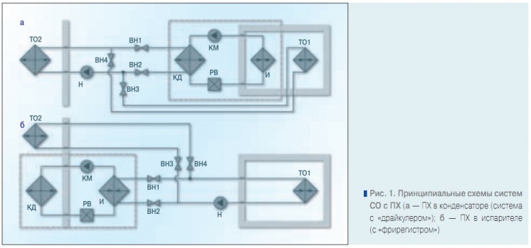
Рис. 1. Принципиальные схемы систем СО с ПХ

Рис. 1. Принципиальные схемы систем СО с ПХ

Рис. 2. Выигрыш в потреблении электроэнергии за один год при использовании СО с ПХ

Рис. 2. Выигрыш в потреблении электроэнергии за один год при использовании СО с ПХ

Рис. 3. Схема системы СО с ПХ в испарителе при плавном отключении и включении холодильной машины

Рис. 3. Схема системы СО с ПХ в испарителе при плавном отключении и включении холодильной машины

Рис. 4. Схема системы ФСО фирмы CARRIER

Рис. 4. Схема системы ФСО фирмы CARRIER

Рис. 5. Упрощенная схема (не показаны компрессор и другие элементы) реализации режима ФСО в турбокомпрессорных ХМ с кожухотрубными испарителем и конденсатором фирмы TRANE

Рис. 5. Упрощенная схема (не показаны компрессор и другие элементы) реализации режима ФСО в турбокомпрессорных ХМ с кожухотрубными испарителем и конденсатором фирмы TRANE

Реализовать его на практике можно разными способами, например, использованием приточной вентиляции: температура в помещении регулируется изменением количества подаваемого воздуха (можно решить многие задачи с помощью теплои тепломассообменных вентиляционных блоков). Широкое распространение получили энергосберегающие холодильные системы, использующие в зимний период контур с промежуточным хладоносителем (ПХ). Перенос теплоты осуществляется жидкостью, охлаждаемой в теплообменнике, расположенном на улице.

Во избежание замерзания воды в тонких трубках воздушного теплообменника (при отрицательных температурах наружного воздуха) в условиях России в качестве ПХ применяются растворы этиленгликоля (ЭГ). Это охлаждение с легкой руки фирмы LIBERT называют «свободным», или часто «экономным». Энергия расходуется только на привод насосов и вентиляторов, при этом увеличивается долговечность и надежность всей установки.

Холодильные машины (ХМ) с опцией «свободного охлаждения» (СО) представлены в модельном ряду многих производителей. СО применяется в холодное время года для поддержания в охлаждаемых объектах плюсовых температур (выставочные, спортивные залы, казино, боулинг-клубы, серверные, помещения с телекоммуникационным оборудованием, с интенсивным освещением, хранилища фруктов и овощей), для соблюдения пивных технологий, технологий созревания сыров, в кондитерской, винодельческой промышленностях и проведения различных технологических процессов.

Работоспособность в суровых климатических условиях очень важна при выборе ХМ (в т.ч. кондиционеров), выход которых из строя может порою привести к материальным потерям, превосходящим стоимость оборудования. Применение местных обогревов картеров компрессоров, дренажных трубок; установка компрессоров во внутренних блоках, размещение внешних блоков в технических помещениях не могут решить всех проблем.

Современный уровень автоматизации, широкое применение пластинчатых теплообменников, позволяющих сократить разницу температур между хладагентом и ПХ до 3–4 К, использование в холодную погоду СО позволяют с полной уверенностью сказать о возрождении систем «рассольного» охлаждения, которые имеют значительные эксплутационные преимущества:

  • автоматизация холодильных установок такого типа не представляет особых сложностей;
  • за счет рационального комбинирования узлов системы можно значительно уменьшить объем холодильной установки, заполненной хладагентом. При этом повышается экологическая безопасность системы и сокращаются затраты при высокой цене новых хладагентов;
  • уменьшаются размеры магистралей, количество швов на холодильных трубопроводах; облегчается поиск утечек, меньше окислов в системе после монтажа, надежнее возврат масла в картер компрессора;
  • упрощается эксплуатация холодильных установок при использовании в качестве хладагентов зеотропных смесей.

СО с ПХ позволяет отключать в холодное время года контур с хладагентом. Использование «нулевого» закона термодинамики вместо второго приводит не только к весомой экономии электроэнергии и увеличению ресурса работы компрессора, но и упрощает обслуживание установки. На рис. 1 показаны часто применяющиеся схемы СО для круглогодичного охлаждения помещений с плюсовыми рабочими температурами [1].

Контур с хладагентом ограничен пунктирной линией и состоит из стандартного перечня компонентов: компрессора (КМ), конденсатора (КД), регулирующего вентиля (РВ) и испарителя (И) (может включать в себя дополнительные устройства, оптимизирующие его работу).Когда температура окружающей среды выше температуры охлаждаемого объекта работает холодильный контур (вентили ВН1,ВН2 — открыты,ВН3, ВН4 закрыты).

При понижении температуры окружающей среды ниже ~1°С контур с хладагентом отключается и промежуточный теплоноситель охлаждается в теплообменнике ТО2 (ВН1, ВН2 закрыты,ВН3,ВН4 открыты), расположенном на улице. В кожухотрубных теплообменниках разница между температурой фазового перехода хладагента и температурой ПХ составляет около 6 К.

Дополнительные потери холодопроизводительности достигают 23% для систем с ПХ в испарителе и 7% для ПХ в конденсаторе (при температуре кипения t0=+5°С и конденсации tк = +45°С) по сравнению с системами непосредственного охлаждения. Применение эффективных пластинчатых теплообменников позволяет сократить величину недорекуперации до 3 К, поэтому в СО с пластинчатым теплообменником потеря холодопроизводительности составляет величину 12% и 3% соответственно.

Как показала практика, неизбежное увеличение гидропотерь в пластинчатых теплообменниках не приводит к заметным изменениям эффективности циклов. С другой стороны, их применение значительно улучшает массогабаритные и эксплуатационные характеристики системы. На рис. 2 видно, что применение СО с пластинчатым теплообменником становится в один ряд с самыми экономными способами охлаждения.

Особую выгоду сулит применение систем СО в странах с умеренным и холодным климатом. В последнее время появились чиллеры, укомплектованные системой Free Cooling на заводе-изготовителе (дополнительный трубчато-ребристый теплообменник СО расположен непосредственно на раме ХМ сверху или под основным фреоновым конденсатором), таким образом от заказчика не требуется проведения каких-либо мероприятий для организации системы СО.

Схема установки, работающей в режиме СО с плавным отключением и включением ХМ («смешанное» охлаждение), представлена на рис. 3 [2]. В обычном режиме работы вода, возвращающаяся от «потребителя», подается насосом 8 в теплообменник 9, где обменивается теплотой с ЭГ.В свою очередь ЭГ через пропорциональный трехходовой клапан 2 подается циркуляционным насосом 3 в испаритель 5, в котором он охлаждается, отдавая теплоту кипящему фреону.

Когда температура наружного воздуха становится ниже температуры ЭГ, поступающего в ХМ, трехходовой клапан 2, управляемый контроллером, направляет часть ЭГ в теплообменник СО 1, при этом положение трехходового клапана выбирается на основании показаний трех параметров: температур окружающего воздуха, конденсации и ЭГ на выходе из ХМ.

Как только температура окружающего воздуха становится достаточно низкой, компрессоры выключаются и температура ЭГ поддерживается изменением расхода воздуха через теплообменник СО 1,обеспечивая снятие всей тепловой нагрузки. Если температура окружающего воздуха повышается, и мощности СО становится недостаточно для снятия тепловой нагрузки, контроллер ХМ, параллельно к работающей системе СО, подключает фреоновый холодильный контур.

При дальнейшем росте температуры окружающего воздуха автоматика выводит из процесса теплообменник СО, а поддержание заданной температуры выходящего ЭГ полностью возлагается на фреоновый холодильный контур. Снижение затрат электроэнергии при СО зависит от климатической зоны: в странах Центральной Европы экономия составляет до 30%.Кроме того, режим СО увеличивает срок службы компрессоров на 40–50%.

Добавление контура ПХ и соответствующей автоматики приводит к усложнению ХМ и к увеличению ее стоимости (при лавинообразном росте стоимости цветных металлов — стоимость меди за три года выросла в 4 раза — трубчато-ребристый теплообменник становится одним из самых дорогостоящих элементов ХМ).Срок окупаемости ХМ с режимом СО для России составляет 2–4 года и зависит от региона установки оборудования и его мощности.

В современных ХМ режим СО включается уже при разнице в 2 К между температурами обратного ЭГ и окружающего воздуха. Такая схема СО с ПХ имеет свои недостатки: применение ЭГ при круглогодичной эксплуатации системы зачастую ведет к увеличению типоразмера чиллера и дополнительным затратам на ЭГ, увеличению сопротивления гидравлического контура, а следовательно, мощности циркуляционных насосов и сопутствующей арматуры; увеличению массы и размеров чиллера; уменьшению эффективности из-за увеличения энергопотребления вентиляторов (двойной теплообменник — двойное сопротивление движению воздуха), ухудшению шумовых характеристик по той же причине (более мощные вентиляторы).

Преимущества СО с ПХ по сравнению с работой классической ХМ очевидны: энергосбережение, снижение тепловыделений в окружающую среду, сокращение времени работы, но не сроков эксплуатации, холодильных компрессоров. В последнее время появились системы СО, в которых теплота в холодное время года переносится хладагентом в холодильном контуре (компрессор не работает)— фреоновое свободное охлаждение (ФСО).Эта задача реализована компанией TRANE на ХМ серии CenTraVac [3].

Данная серия представляет собой водоохлаждаемые ХМ на базе центробежных компрессоров с кожухотрубными испарителем и конденсатором.В чиллерах TRANE CenTraVac (хладагент R123) используется ФСО.Источником холода, как и везде в СО, при остановленном компрессоре является наружный воздух. Теплота в окружающую среду отводится от ЭГ конденсатора 1 (рис. 5), проходящего по трубкам 2, который затем подается насосом в охлаждающий теплообменник, расположенный на улице.

При работе ХМ в режиме ФСО необходимо в конденсаторе 1 поддерживать температуру R123 не выше 12°С (–0,4 бар), а в испарителе— более высокую температуру 13°С (–0,35 бар). Благодаря разности давлений хладагента в испарителе и конденсаторе, по обводному трубопроводу 6 пары R123 будут подниматься в верхнюю часть конденсатора 1. При контакте с холодной поверхностью трубок 2, по которой проходит охлажденный потоком холодного наружного воздуха ЭГ, R123 будет конденсироваться.

Жидкий хладагент собирается в нижней части конденсатора 1 и по обводному трубопроводу 3 стекает в нижнюю часть испарителя 4. При температуре наружного воздуха соответствующей температуре конденсации 12°С, автоматический блок переводит ХМ в режим ФСО. Автоматически останавливается приводной электродвигатель турбокомпрессора и открываются клапаны на обводных трубопроводах 3 и 6 при этом холодопроизводительность составляет до 40% от паспортного режима.

Оригинальное решение ФСО было реализовано компанией CARRIER на ХМ серий 30RB (спиральные компрессоры — R410А) [4] и 30XA (винтовой компрессор— R134а) (рис. 4) [5].В системе применен принцип термосифона: газообразный хладагент из относительно теплой зоны (испаритель) перемещается в относительно холодную зону (конденсатор) в обход компрессора через открытый обратный клапан, перенося теплоту.

Работа вентиляторов повышает интенсивность этого процесса. Только небольшой циркуляционный насос для жидкого хладагента и теплообменная поверхность ребер конденсатора поддерживают этот процесс (при отключенном компрессоре в качестве жидкости, переносящей теплоту от испарителя к конденсатору, используется фреон). Для реализации этой схемы СО в традиционную схему ХМ были добавлены лишь два обратных клапана и фреоновый насос. Таким образом, обеспечены следующие преимущества ФСО перед традиционными системами СО с ПХ:

  • отпадает необходимость в применении градирни, дополнительного теплообменника т.к. для реализации режима ФСО применяется штатный конденсатор ХМ;
  • гидравлическое сопротивление системы ниже по сравнению со случаем, когда последовательно к испарителю включается дополнительный теплообменник СО, т.е.нет необходимости переразмеривать циркуляционный насос;
  • массогабаритные характеристики ХМ близки к стандартным, в отличие от машин с дополнительным теплообменником, где масса установки может увеличиться на 25–30%;
  • на машинах, оснащенных ФСО, применяются стандартные вентиляторы охлаждения конденсатора, поэтому показатели шумности и энергоэффективности остаются неизменными;
  • все элементы ФСО монтируются на раму чиллера на заводе-изготовителе, поэтому нет необходимостив проведении дополнительных мероприятий для реализации режима СО;
  • в умеренных климатических зонах можно отказаться от применения ЭГ, т.к. испаритель ХМ оснащен защитой от замораживания. В случае применения воды в качестве вторичного хладоносителя нет необходимости в применении таких элементов системы, как промежуточный теплообменник с сопутствующей арматурой.
  1. Шишов В.В., Шибаев С.С. Cистемы с промежуточным теплоносителем для СКВ: новый подход к традиционным решениям. — «Холодильная техника», №11/1998.
  2. Карпов А.А., компания АЕРМЕК. Cистемы свободного холода.
  3. Кокорин О.Я.,Левин И.А.Применение турбохолодильных машин в режимах «свободного охлаждения» (Free Сooling). — «Холодильная техника»,№3/2005.
  4. Шишов В.В.,Клоков М.Ю. Чиллеры большой производительности на R410A.— Журнал «С.О.К.»,№3/2005.
  5. Каталоги фирмы CARRIER.
Комментарии
  • В этой теме еще нет комментариев
Добавить комментарий

Ваше имя *

Ваш E-mail *

Текст комментария