
Росстандарт приказом от 09.02.2026 утвердил и ввёл в действие с 1 апреля 2026 года национальный стандарт ГОСТ Р 72534–2026 «Системы отопления поквартирные с комплектными блоками автоматического управления. Общие технические требования».
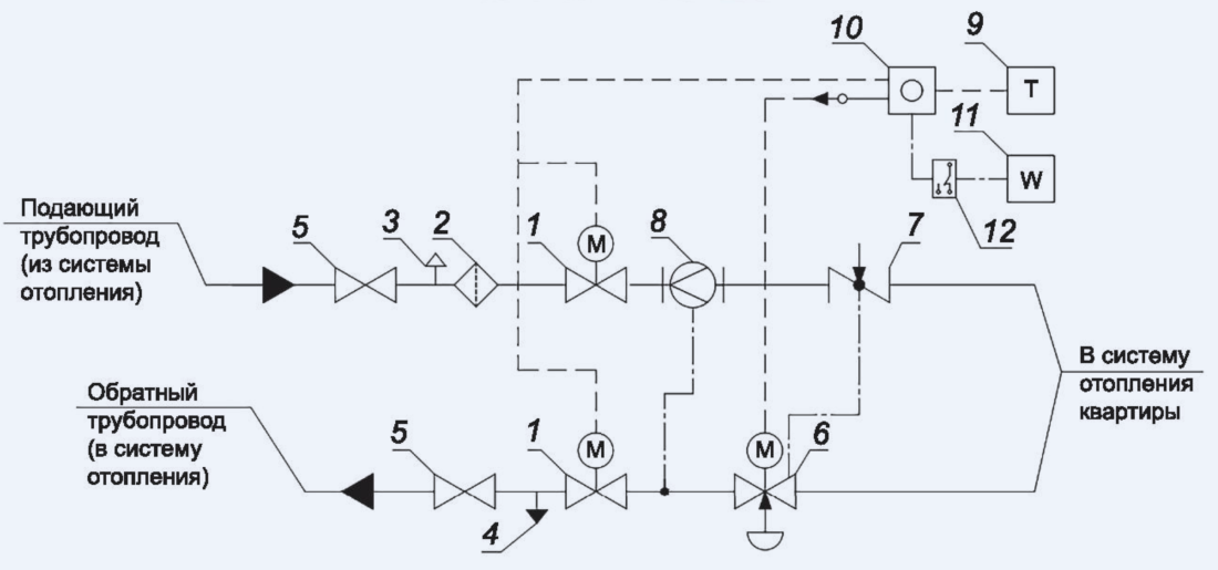
Таким образом, появился документ, который устанавливает общие технические требования к квартирным блокам (узлам), предназначенным для поквартирного подключения к системам центрального отопления с горизонтальной поэтажной разводкой для работы в составе автоматизированных систем управления зданием
Применение:
- в зданиях с системами автоматического управления;
- при централизованном контроле и управлении инженерными системами.;
- с 1 апреля 2026 года.