Сантехника Отопление Кондиционирование

Блочные и комнатные контроллеры

37736 0
Опубликовано в журнале СОК №6 | 2004

Современный подход к проектированию и созданию систем автоматизации и управления инженерными системами зданий основан на концепции распределенного интеллекта. Это означает, что на уровне автоматизации строится сеть, связывающая станции автоматизации (СА) или контроллеры. Каждая из таких СА управляет отдельной установкой или группой установок, таких как вентиляционная установка, кондиционер, тепловой пункт, холодильная машина и т.п., или отдельным помещением, когда речь идет о так называемых комнатных контроллерах. Концепция распределенного интеллекта или децентрализованного управления возникла как результат необходимости обеспечения нормальной работы установок и инженерных систем здания даже в случае, когда произошли неполадки на верхнем уровне управления, такие как сбой диспетчерского компьютера и т.п.

Рис. 1

Рис. 1

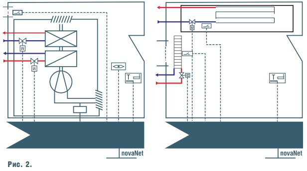
Рис. 2

Рис. 2

Рис. 3

Рис. 3

Рис. 4

Рис. 4

Рис. 5

Рис. 5

Рис. 6

Рис. 6

Рис. 7

Рис. 7

Табл. 1

Табл. 1

Станции автоматизации

Для реализации этой концепции необходим ряд станций автоматизации, имеющих различные возможности и параметры. Рассмотрим такой ряд на примере СА системы EY3600 nova фирмы SAUTER, который показан в табл. 1. Такие станции автоматизации практически осуществляют концепцию распределенного интеллекта. Они являются свободно программируемыми и коммуникативными и в то же время позволяют автономную децентрализованную работу и индивидуальное управление отдельными установками.

Представленные в табл. 1 станции автоматизации реализуют полное местное управление, регулирование и логические функции, функции зависимости от времени и календаря, а также хранят локальные исторические базы данных.

Обмен информацией осуществляется независимо по межсетевому трафику. Все СА имеют встроенную защиту от перенапряжения, прочную конструкцию, высокую помехозащищенность и надежны в работе. Во всех СА используется один и тот же высокоэффективный микропроцессор. Связь между СА осуществляется по протоколу novaNet или BACnet.

Описанные выше свойства являются общими для всех СА, вместе с тем каждая из них имеет различное количество входов и выходов и различные возможности. Выбор именно таких параметров СА определен теми задачами, для решения которых они предназначены.

Контроллеры nova210, nova215, nova220, nova225 и nova230 являются моноблочными, т.е. имеют фиксированное количество и характеристики входов и выходов. Контроллеры nova108 и nova109 являются каркасными и представляют собой каркасы для плат, которые наполняются платами в соответствии с конкретной задачей.

Станции nova215 и nova225, а также ряд плат для контроллеров nova108 и nova109 имеют возможность подключения полевых модулей (рис. 1), которые работают как «интеллектуальные терминалы», существенно снижая стоимость системы. Поскольку полевые модули дополнительно дают возможность ручного управления, они устанавливаются в шкафы автоматики или непосредственно на рабочую установку.

Полевые модули могут работать независимо от СА, таким образом они удовлетворяют требованиям к системе автоматизации в аварийных ситуациях. Для соединения СА с полевыми модулями используется витая пара длиной до 100 м. Завершает ряд станций автоматизации модуль novaFlex (желтый контроллер в табл. 1), занимающий промежуточное положение между большими СА и локальными контроллерами.

Этот модуль может быть, также как и программируемые СА, запрограммирован с помощью редактора CASE FBD и подключен в единую сеть СА. Модуль novaFlex устанавливается в шкаф автоматики или непосредственно на рабочей установке.

Для применения в помещениях с жесткими ограничениями по электромагнитному излучению от используемого оборудования имеется версия модуля novaFlex с электронными переключаемыми триак-выходами.

Для местного ручного управления используется сенсорная панель или пульт оператора с ЖК-дисплеем. NovaFlex соединяется со станциями автоматизации, с сенсорной панелью или с уровнем управления через полевую шину, совместимую с novaNet.

Комнатные контроллеры

Специально для решения задачи индивидуально оптимизированного управления в отдельном помещении были разработаны контроллеры EY3600 ecos. Эти контроллеры имеют небольшое количество входов и выходов, необходимых для решения ограниченного круга задач автоматизации в отдельных помещениях, что позволяет существенно снизить их цену по сравнению с обычными станциями автоматизации.

Вопрос цены в данном случае является весьма существенным, т.к. обычно они используются для создания систем автоматизации зданий с большим количеством отдельных помещений, например, в гостиницах. Контроллеры ecos совместимы по шине со станциями автоматизации, так что они полностью интегрируются в единую систему автоматизации.

С задачей управления климатом в отдельном помещении зачастую тесно связана задача управления освещением и жалюзи. Функциональность контроллеров ecos может быть адаптирована в соответствии с индивидуальными требованиями заказчика, включая задачу управления освещением и жалюзи. На рис. 2 показаны две типовые схемы автоматизации для отдельных помещений.

Первая предназначена для управления приточной вентиляцией с подогревом и охлаждением, учитывает сигнал от датчика присутствия и контакт от окна. Вторая схема предназначена для автоматизации потолочного отопления. Обе схемы являются типичными для гостиничных комплексов, офисных зданий и т.п. Для реализации таких схем имеются различные варианты свободно программируемого комнатного контроллера EY3600 ecos, среди которых можно выбрать подходящий по количеству входов и выходов.

В распоряжении пользователя имеются стандартные блоки программного обеспечения для реализации сложных функций энергетической оптимизации с помощью адаптивных алгоритмов. Для систем управления в отдельных помещениях типичной является задача изменения функциональности при изменении параметров данного помещения, например, если удаляется часть стен. Такие задачи легко решаются с помощью специальной функции, которая позволяет скопировать необходимые изменения в программное обеспечение пользователя простым кликом на клавишу мыши.

При этом блоки комнатного управления, сигналы от контактов окна и т.п. согласуются автоматически. Задача управления в отдельных помещениях также включает в себя управление такими комнатными приборами, как фэнкойлы, радиаторы, тепловые насосы, блоки охлаждения. Эта задача может быть успешно решена с помощью комнатных контроллеров ecos201 и ecos202.

Типичным для систем автоматизации в отдельных помещениях является требование возможности локального ручного управления и визуализации, например, в гостиничных номерах и офисных помещениях. Для реализации этого требования используется комнатный модуль управления EYB. Комнатный контроллер ecos и модуль управления EYB показаны на рис. 3.

Этот модуль имеет внутренний датчик комнатной температуры и позволяет, в зависимости от требований заказчика, иметь следующие возможности: настройка установки, кнопка присутствия, кнопка переключения ступеней вентилятора, кнопка жалюзи, кнопка освещения, LCD-дисплей. Комнатные модули управления всегда подключаются через один и тот же интерфейс, независимо от типа.

Специальной задачей для области управления в отдельных помещениях является автоматизация для чистых помещений, таких как лаборатории, операционные, помещения для испытаний специальной техники и т.п. В таких помещениях требуется не просто обеспечить определенный уровень комфорта с минимумом энергетических затрат, но и обеспечить заданный класс чистоты помещения.

Эта задача не только требует специального технологического оборудования, но и использования специальных алгоритмов управления, обеспечивающих избыточное давление в помещении. Для решения задач автоматизации чистых помещений были специально разработаны комнатные контроллеры ecos205 и ecos206, в которые встроены датчики статического дифференциального давления для управления приточными и вытяжными системами.

Одна из типовых схем управления для чистых помещений показана на рис. 4, для ее реализации используется контроллер ecos205. Для программирования всех описанных выше станций автоматизации, модулей и комнатных контроллеров используется редактор CASE FBD, обеспечивающий удобное графическое программирование с использованием встроенных программных блоков, в которых содержатся инсталляционные «ноу-хау» фирмы SAUTER.

Коммуникация с другими системами

В настоящее время одним из наиболее актуальных вопросов в области автоматизации зданий является вопрос коммуникации и обмена информацией между системами и оборудованием разных производителей. Особенно остро этот вопрос встал в связи с быстрым развитием направления «интеллектуальных зданий».

Объединенный интеллект таких зданий требует обмена информацией между всеми системами, обеспечивающими жизнедеятельность такого здания, такими, например, как система автоматизации ОВК, системы безопасности, система пожарной сигнализации и многими другими. Обмен информацией может осуществляться как на уровне менеджмента, так и на уровне станций автоматизации через стандартные протоколы.

Фирмой SAUTER были разработаны специальные станции автоматизации, предназначенные для коммуникации по различным протоколам, их возможности описаны ниже. В настоящее время стандарт BACnet признан во всем мире, как стандарт для коммуникации между станциями автоматизации и с уровнем управления через Ethernet. Протокол BACnet был разработан ASHRAE (American Society of Heating, Refrigerating and Aircondi- tioning Engineers) и сейчас является единственным общим стандартом для коммуникации в BMS (ISO/DIS 16484-5). Фирма SAUTER производит BACnet-контроллеры, как модульные, так и каркасные, которые могут быть непосредственно подключены в сеть BACnet. BACnet-станции фирмы SAUTER могут объединять до 1000 объектов BACnet, обеспечивая следующие возможности:

  • коммуникацию, ориентированную на события, для изменений измеряемых величин и статусов;
  • функциональность BACnet-сервер и BACnet-клиент;
  • поддержку для всех обычно используемых BACnet-объектов, включая временные программы и календарные объекты.

BACnet-контроллеры могут также выполнять роль шлюза для подключения ветви СА, объединенных в сети novaNet, к сети BACnet. Пример такого подключения показан на рис. 5. Здесь сеть контроллеров novaFlex через каркасный BACnet-контроллер подключается к сети BACnet. Другим стандартом, признанным во всем мире, является LONWORKS. Он разработан фирмой Echelon, стандартизован в ENV 13154 и является коммуникационным протоколом для полевого уровня и комнатной автоматизации.

Этот протокол позволяет интеграцию управления оборудованием для освещения, жалюзи и кондиционирования воздуха в отдельных помещениях, а также коммуникацию с уровнем управления. Фирма SAUTER производит индивидуальные комнатные ecolon-контроллеры системы EY3600, сертифицированные согласно стандарту LONMARK, профиль №8020, которые имеют следующие возможности:

  • соединение с другими сертифицированными LON-приборами;
  • все «ноу-хау» внутри прибора, сервис не нужен;
  • выбор вариантов инсталляции через панель пользователя или через LON;
  • все функции управления в одном LON-узле, для снижения затрат;
  • простая параметризация с графическим интерфейсом через LNS-совместимый вставной модуль.

LON-контроллер и панель пользователя показаны на рис. 6. Специально для решения задач коммуникации через другие стандартные или общеизвестные протоколы разработана специальная СА nova230 (в табл. 1). Контроллер nova230 одновременно может выполнять функции управления установками, с теми же возможностями как станция nova210, и передавать данные по одному из стандартных протоколов. nova230 имеет гнездо для вставной платы, которая реализует обмен сообщениями с оборудованием других производителей через интерфейс RS232C.

С помощью станции nova230 возможен обмен информацией по следующим протоколам: Modbus RTU, Grundfos, EIB, Wilo, LON, Siemens 3964R/RK512, Danfoss VLT6000, M-bus и другие протоколы. Таким образом, описанные выше станции автоматизации с различными возможностями коммуникации выполняют качественно новую роль.

Они не только реализуют функции управления отдельными установками или помещениями, но и выполняют роль шлюзов для коммуникации с другими системами, установками, оборудованием, что позволяет решать задачи интеграции в комплексные системы управления зданием. Как уже упоминалось выше, все СА, модули и комнатные контроллеры могут быть объединены в единую сеть novaNet, причем система EY3600 дает возможность контролировать и менять параметры процессов из любой точки сети автоматизации. Тем самым полностью решается задача децентрализованного управления.

Для подключения к сети можно использовать:

  • панель управления EY3600 nova240, дающую возможность представления информации в буквенно-цифровом виде (рис. 7);
  • тач-панель EY3600 nova250, которая делает доступной всю информацию в виде таблиц или в полной графической цветной форме (рис. 7);
  • РС с программным обеспечением novaPro.В этой статье кратко рассказано о станциях автоматизации или контроллерах, из которых строятся сети автоматизации. Вопросам построения единых сетей жизнеобеспечения зданий, а также вопросам использования полевого оборудования со встроенным интеллектом будут посвящены следующие публикации. 

В заключение хочу поблагодарить Владимира Михайловича Бреннермана, технического директора ООО НТП «Унисервис» — Инженерного центра фирмы SAUTER — за помощь в подготовке данной статьи.

Комментарии
  • В этой теме еще нет комментариев
Добавить комментарий

Ваше имя *

Ваш E-mail *

Текст комментария