Сантехника Отопление Кондиционирование

Эффективность системы отопления: как вычислить общий коэффициент

23644 0
Опубликовано в журнале СОК №11 | 2007
Автор:

Все последнее десятилетие мы наблюдаем строительный бум. Рынок строительных материалов и оборудования растет с каждым годом. Одной из весомых статей затрат при строительстве индивидуального дома является теплотехническое оборудование. Параллельно с этим приходится наблюдать неуклонное возрастание цен на энергоносители вообще и на природный газ в частности. Это заставляет владельцев жилья уделять все больше внимания эффективности отопления своих домов и стараться всячески уменьшить расход топлива как во вновь строящихся, так и в уже существующих системах отопления. Денис РЫНДИН, главный

Рис. 1. Коэффициенты эффективности отопления

Рис. 1. Коэффициенты эффективности отопления

Рис. 2. Типичная схема отопления 60-х годов ХХ в.

Рис. 2. Типичная схема отопления 60-х годов ХХ в.

Рис. 3. Типичная схема отопления 70-х годов ХХ в.

Рис. 3. Типичная схема отопления 70-х годов ХХ в.

Рис. 4. Tипичная cовременная схема отопления

Рис. 4. Tипичная cовременная схема отопления

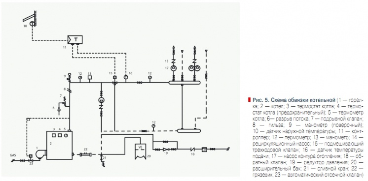
Рис. 5. Схема обвязки котельной

Рис. 5. Схема обвязки котельной

Все названные факторы послужили причиной бурного совершенствования теплотехники за последнее время. Однако не всегда модернизация системы отопления приносит желаемую экономию в расходе топлива, что, в свою очередь, становится причиной конфликтов между продавцом и покупателем теплотехнического оборудования. Часто причиной ошибочных расчетов потребления газа теплогенерирующей установкой служит недостаточное понимание физической сути коэффициента полезного действия котла.

Цель этой статьи — внести некоторую ясность в этот весьма актуальный вопрос. Все тепло, получаемое в теплогенерирующей установке, при сжигании топлива распределяется на полезно используемое тепло (т.е. ту часть тепла, которая идет непосредственно на нагрев помещения) и тепловые потери в окружающую среду. Чтобы это стало полезным, используемое тепло необходимо передать теплоносителю и распределить по системе отопления. На каждой из стадий производства, регулирования и распределения тепла неизбежны его потери.

Поэтому справедливо будет записать следующее равенство: ηg = ηp + ηd + ηe + ηc, (1) где ηg— общий коэффициент эффективности системы отопления; ηp— коэффициент эффективности теплогенерирующей установки; ηd— коэффициент эффективности распределения теплоты; ηe— коэффициент эффективности отопительных приборов; ηc — коэффициент эффективности регулятора системы. Согласно европейским нормам, принято считать, что общий g не должен быть ниже коэффициента эффективности системы отопления (определенного значения, которое вычисляется по формуле: ηg= 65 + 3log(Pn), (2) где log(Pn)является десятичным логарифмом от номинальной мощности котла.

Мощность котла выражается в кВт. Для примера просчитаем минимально допустимый общий коэффициент эффективности для системы отопления, оборудованной котлом мощностью 23 кВт: ηg= 65 + 3 •log(23); ηg= 65 + 3 •1,362; ηg= 65 + 4,1; ηg= 69,1. Иными словами, минимально допустимый общий коэффициент эффективности большинства систем отопления, оборудованных навесными котлами, должен превышать 69,1 %.

Как же вычислить общий коэффициент эффективности системы отопления?

Из приведенного выше уравнения очевидно, что снижение любого из коэффициентов эффективности приводит к снижению общего коэффициента эффективности системы отопления. Наглядно это иллюстрируется графиком (рис. 1), из которого видно, насколько общий коэффициент эффективности системы отопления зависит от каждого из множителей уравнения. Для примера рассмотрим показатели современной системы отопления, спроектированной и собранной согласно всем нормам и правилам. В ней используются такие показатели:

  • ηp = 0,89 — коэффициент эффективности теплогенерирующей установки;
  • ηd = 0,95 — коэффициент эффективности распределения теплоты;
  • ηe = 0,96 — коэффициент эффективности отопительных приборов;
  • ηc = 0,97 — коэффициент эффективности регулятора системы.

Общий коэффициент эффективности системы вычисляется так: ηg =0,89 •0,95 • ηe ηd ηp ηg = 0,79. Как видно, наибольший коэффициент эффективности получается при 100 %-ой нагрузке системы отопления, т.е. при максимальной мощности теплогенерирующей установки, которая закладывается из расчета на минимальную температуру наружного воздуха в самый холодный период.

Поскольку средняя температура наружного воздуха за отопительный период значительно выше минимальной, то, соответственно, снижается и тепловая нагрузка отопительной системы, а следовательно, и общий коэффициент эффективности системы. В среднем за отопительный период общая эффективность системы отопления может составлять порядка 40–50 % ее максимального значения.

Для упрощения принято считать, что среднее значение общего коэффициента за отопительный период составляет 50 % ее значения при максимальной нагрузке. Рассмотрим, как изменяются составляющие общего коэффициента эффективности системы отопления при разных условиях. 1.

Эффективность регулирования

  • ηc = 0,98 — эффективное терморегулирование;
  • ηc= 0,93 — частичное терморегулирование;
  • ηc= 0,85 — без терморегулирования.

2. Эффективность отопительных приборов

  • ηe = 0,98 — конвекторы с принудительной циркуляцией воздуха;
  • ηe = 0,97 — хорошо отрегулированные панели лучистого обогрева (напольное отопление);
  • ηe = 0,96 — хорошо отрегулированные радиаторы.

3. Эффективность распределения

  • ηd = 0,95–0,96 — хорошо утепленные трубопроводы;
  • ηd= 0,80–0,95 — плохо утепленные трубопроводы;
  • ηd= 0,70–0,80 — неутепленные трубопроводы.

4. Эффективность теплогенерирующей установки

  • ηp = 0,70–0,90 — в зависимости от типа котла, качества его настройки, размеров, мощности и т.д.

Следует уделить внимание первому множителю: за последние несколько десятилетий наметился значительный прогресс в регулировании систем отопления. Этому способствовало развитие схем управления системами отопления, а также совершенствование материальной базы, что позволило значительно повысить эффективность процесса регулирования.

Так, если в середине 60-х гг. прошлого века превалировали схемы с качественным центральным регулированием (рис. 2), то по мере развития стала все более заметной тенденция к местному количественному (рис. 3) и качественному (рис. 4, современная система с использованием балансировочного вентиля и постоянным перепадом давления) методам регулирования.

Пример анализа общего коэффициента эффективности системы отопления индивидуального дома

Проанализируем ηg в случае индивидуального дома изменение общего коэффициента эффективности. На примере покажем, как повышается эффективность системы при ее поэтапной модернизации, а также зависимость общего коэффициента эффективности от всех четырех множителей ηc, ηe, ηd, ηp. Для удобства будем считать, что схема котельной во всех четырех случаях неизменна.

Пример типичной схемы котельной индивидуального дома показан на рис. 5. Как видно из приведенных ниже примеров (рис. 6–10), комплексная модернизация системы отопления может привести к почти двукратному повышению общего коэффициента ηg = 0,48, а следовательно, и ηg= 0,81 против эффективности системы отопления к существенной экономии топлива. По средним оценкам, проведение подобной модернизации системы отопления, при действующих ценах на газ, может окупиться за 6 лет.

«Пресс-Клуб», 2005.

Комментарии
  • В этой теме еще нет комментариев
Добавить комментарий

Ваше имя *

Ваш E-mail *

Текст комментария