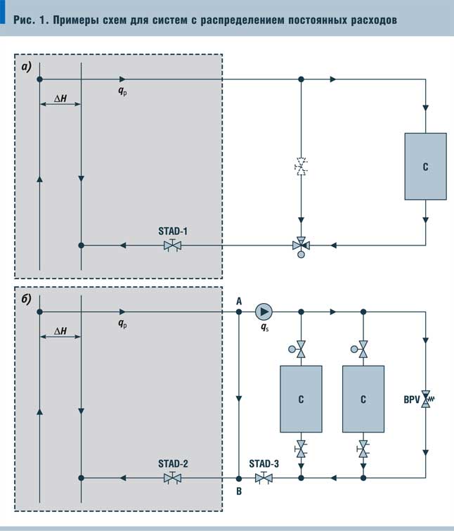
Часто это происходит потому, что такая система не удовлетворяет некоторым необходимым условиям. Из них можно выделить три самых важных: 1. Расчетный расход тепло или холодоносителя должен быть действительно обеспечен во всех частях системы; 2. Перепад давления на регулирующих (в том числе термостатических) клапанах не должен слишком сильно изменяться; 3. Расходы должны быть согласованы в узловых точках системы. Эти проблемы приводят к следующим, уже реально ощутимым последствиям: . энергетические затраты оказываются значительно выше расчетных; . мощность источника тепла не передается на радиаторы при промежуточных и/или высоких нагрузках; . в некоторых частях здания может быть слишком жарко, в других— слишком холодно; . требуется много времени до достижения требуемой температуры после запуска системы или смены режимов. Количество энергии, передаваемое воздуху радиатором, калорифером или фанкойлом, зависит от температуры и расхода подаваемой воды. Для получения комфортной комнатной температуры оперируют именно этими параметрами. Такое управление возможно только если требуемые расходы воды достижимы. Некоторые специалисты считают, что достаточно указать проектные расходы на чертеже, чтобы получить их в трубах. В действительности же невозможно учесть все монтажные факторы, приходится измерять фактические расходы и корректировать их до достижения требуемых величин. А если учесть, что и сам проект делается с большими допущениями, то вывод о необходимости гидравлической балансировки очевиден. Дискуссия специалистов на эту тему сводится лишь к вопросу: «Как ее провести?». Например, возможно ли достичь корректного распределения расходов путем тщательного выбора размеров оборудования и трубопроводов? Теоретически — да. Но на практике — это всего лишь мечта. Источники энергии, насосы, трубопроводы и нагрузки проектируются исходя из необходимости покрытия максимальных потребностей в тепле или холоде. Если размер одного звена в цепи выбран неправильно, то и все остальные оптимально работать не будут. В результате требуемые условия микроклимата в помещении не будут достигнуты. Некоторого завышения характеристик не удастся избежать, поскольку компоненты установки приходится выбирать из диапазона существующих на рынке. Часто их характеристики не удовлетворяют расчетным. Более того, на стадии проектирования технические параметры некоторых компонентов вообще не известны, т.к. они выбираются подрядчиком на более поздних этапах. Приходится модифицировать проект системы с учетом фактически установленных элементов, которые часто отличаются от предусмотренных изначально. В уже установленной системе компенсировать завышенные характеристики и получить требуемые расходы позволит только гидравлическая балансировка. Системы распределения с постоянным расходом В системе распределения с постоянным расходом (рис. 1, а~1~) рассчитывается трехходовой клапан для создания падения давления как минимум равного проектному падению давления на нагрузке С. Это означает, что подходящий регулирующий клапан имеет коэффициент управления как минимум 0,5. Если падение давления на нагрузке и клапане в сумме составляет 20 кПа, а возможный перепад давления (дельта H) — 80 кПа, то разницу в 60 кПа можно «погасить», используя балансировочный клапан STAD1 производства Tour Andersson. Если этого не сделать, то перерасход в контуре будет порядка 200 %, что затруднит управление и повлечет возникновение помех в остальных частях системы. В схеме, изображенной на рис. 1, б ~1~, балансировочный клапан просто необходим. Без него обходная перемычка А–В создаст эффект «короткого замыкания» с избыточным перерасходом. А это в свою очередь приведет к недостаточному расходу остальной части установки. С помощью STAD2 первичный расход qp соразмеряется и корректируется до значения, несколько большего, чем вторичный проектный расход qs, измеряемый и подстраиваемый посредством STAD3. Балансировка обеспечивает корректное распределение расходов, предотвращая эксплуатационные проблемы и позволяя органам управления выполнять свои функции. Системы распределения с переменным расходом В системе распределения с переменным расходом (рис. 2 ~2~) проблемы недостаточного расхода проявляются чаще всего при высоких нагрузках. На первый взгляд, нет причины балансировать систему с двухходовыми регулирующими клапанами на нагрузках, т.к. именно они отвечают за доведение расхода до требуемого уровня и, по идее, гидравлическая балансировка должна быть автоматической. Однако даже после тщательных расчетов вы обнаружите, что регулирующие клапаны с точным значением Kvs в продаже отсутствуют. Следовательно, характеристики большинства клапанов придется завышать. Во многих ситуациях не удается избежать общего открытия регулирующих клапанов, например, при запуске системы или крупных неполадках, которые могут быть связаны с тем, что некоторые термостаты могут быть выставлены на минимальный режим, а некоторые — на максимальный, или когда занижены размеры некоторых радиаторов. Это будет создавать недостаточный расход в других контурах. Использование насоса с переменной скоростью не решит данной проблемы, так как все расходы будут изменяться пропорционально при изменении напора жидкости. Попытка избежать перерасхода в этом случае приводит на практике к недорасходу, что еще хуже. Заметим, что установка разрабатывается для обеспечения максимальной мощности при максимальной нагрузке. Следовательно, очень важно, чтобы при необходимости максимальные показатели мощности действительно были выполнимы. Гидравлическая балансировка, проведенная при условиях проектирования, гарантирует, что все терминалы смогут получать требуемый расход, и таким образом, вложенные в них затраты будут оправданы. При частичной загрузке, когда некоторые регулирующие клапаны закрыты, доступные перепады давления на участках системы могут только увеличиваться. Если избежать недостаточного расхода при максимальной нагрузке, то оно не произойдет и при других условиях. Утренний запуск системы, смена режимов Для системы распределения с переменным расходом утренний запуск после ночного экономного режима или резкая смена режимов играют важное значение, поскольку полностью открываются большинство регулирующих или термостатических клапанов. Это создает перерасходы, которые приводят к непредсказуемым падениям давления в некоторых трубопроводных сетях и соответственно недостаточному расходу. Удаленные контуры не будут получать достаточного расхода до тех пор, пока клапаны на более близких к насосу контурах не начнут закрываться. В конечном счете, это приводит к тому, что запуск системы или выход на новый режим затрудняется и длится дольше нормативного времени. Неровный запуск делает управление от центрального контроллера и любую форму оптимизации практически невозможными. В системах распределения с постоянным расходом перерасход/недорасход остается как во время запуска, так и после него, делая проблему еще более сложной. Средства, требуемые для балансировки Для балансировки установки должны быть выполнены следующие условия: . возможность измерения расхода с точностью около ±5 %. Процедура балансировки обеспечивает возможность обнаружения ошибок и исправления этих ошибок; . возможность несложной регулировки расхода, что сделает установку гибкой; . устройства, применяемые для балансировки, должны гарантировать долгосрочную надежность. Они должны быть стойкими к агрессивному воздействию воды; . устройства, применяемые для балансировки, должны без демонтажа выдерживать промывку системы, без необходимости применения специальных фильтров; . положение регулировочных устройств должно легко считываться и храниться в защищенной скрытой памяти; Для обеспечения хорошей разрешающей способности при считывании позиции устройства его полный диапазон регулировки (например, положение ручки клапана) должен иметь не менее четырех полных оборотов маховика. . балансировочный конус должен иметь достаточно большие размеры с целью уменьшения вращающего момента, требуемого для настройки клапана при больших перепадах давления; . функция отсечки должна выполняться балансировочным клапаном; . прибор должен включать простую балансировочную процедуру и возможность печати отчета о балансировке. Для диагностических целей прибор также должен обеспечивать регистрацию изменений во времени расходов, перепадов давления и температур. Простота балансировки Гидравлическая балансировка обеспечивает возможность проверки правильности установки и монтажа системы. Она позволяет обнаруживать и исправлять большинство неисправностей (таких как наличие воздуха в системе, засоры, неисправности фильтров, отказы оборудования). Один из самых легких способов балансировки установки предлагает Tour Andersson. Это оригинальная разработка компании, представляющая собой компьютерную программу, основанную на компенсационном методе, — «ТА Баланс». «ТА Баланс» рассчитывает точные настройки для балансировочных клапанов. Ее главное преимущество — возможность проведения полной балансировки установки одним специалистом с использованием всего одного балансировочного прибора—CBI. Установка должна быть разделена на модули. Каждый модуль формируется несколькими контурами, подсоединенными к одному подающему и возвратному трубопроводу. У каждого контура свой собственный балансировочный клапан. Любой модуль имеет общий балансировочный клапан, называемый «партнерским клапаном» (рис. 3 ~3~). При использовании термостатических клапанов Heimeier с настройкой V-Exakt на радиаторах нужно найти положения настроек по диаграмме исходя из проектного расхода и перепада давления, как правило, 10 кПа. Прибор CBI выявляет сравнительный контур (контур, обладающий наибольшим гидравлическим сопротивлением) и задает падение давления на 3 кПа для балансировочного клапана данного контура. Настройки для других балансировочных клапанов определяются исходя из необходимости достижения относительной балансировки элементов внутри модуля. Эти настройки не зависят от фактически установленного напора на насосе или от настроек других балансировочных клапанов в системе. Определенные таким образом величины настроек выставляются и фиксируются. Когда все модули сбалансированы по отдельности, необходимо сбалансировать их между собой. Процедура аналогична вышеописанной. На этом этапе определяются настройки партнерских клапанов. Окончательно общий проектный расход выставляется с помощью главного балансировочного клапана. Весь избыток давления гасится и измеряется на этом клапане. Этот избыток иногда столь значителен, что можно поменять насос на меньший по мощности или понизить его скорость с целью снижения расходов. По завершении описанной операции проектные расходы обеспечиваются на всех нагрузках. Также выдается компьютерная распечатка со списком установленных величин, падений давления и расходов воды для каждого балансировочного клапана. Заключение Цель любой установки ОВК — создание комфортного климата в помещении при условии минимизации финансовых затрат и эксплуатационных проблем. Одна из важнейших задач при выполнении этих условий — обеспечение проектного расхода на всех нагрузках. Для гарантированного выполнения этой задачи необходимо провести гидравлическую балансировку. Эта процедура предотвращает избыточные расходы в одних контурах, приводящих к недостаточным расходам в других, выявляет степень избыточности в работе насоса и, в целом, гарантирует ее работу в планируемом разработчиком режиме.
Балансировка гидравлических контуров
Гидравлический баланс — это необходимое условие стабильной работы систем отопления, вентиляции и кондиционирования воздуха. Мы часто сталкиваемся с уверениями производителей и продавцов, что современные системы отопления, вентиляции и кондиционирования воздуха способны удовлетворить любые, самые взыскательные требования к микроклимату и экономичности. Однако опыт практической эксплуатации показывает, что даже самые сложные системы не всегда работают так, как это было предусмотрено проектировщиком. В результате получается, что с созданными климатическими условиями приходится мириться, а эксплуатационные расходы оказываются выше, чем ожидалось.
 
				 
                                        																		 
			 
			 
			 
			 
			 
			 
			 
			 
			 
			 
			 
			 
			 
			 
			 
			 
                                     
                                     
                                     
                                     
                                    